|
Есть вопросы? Наши квалифицированные специалисты готовы проконсультировать вас. Пишите свои вопросы или отправляйте заявку на нашу почту: gt@gigaterm.ru |
Задать вопрос
|
Доставка - по тарифу ТК
Интегрированные функциональные возможности тепловычислителей обеспечивают комплексное решение широкого круга задач:
- коммерческий учет потребления тепловой энергии, массы и объема воды, перегретого и насыщенного пара;
- контроль режимов теплопотребления;
- организация систем диспетчеризации и контроля потребления тепловой энергии и теплоносителя
Тепловычислители СПТ 962 соответствуют ГОСТ Р ЕН 1434-1, ГОСТ Р 51649, МИ 2412 и МИ 2451.
Тепловычислители удовлетворяют требованиям правил учета тепловой энергии, теплоносителя, утвержденных постановлением Правительства РФ №1034 от 18.11.2013. В части вычисления массового расхода теплоносителя при применении метода переменного перепада давления тепловычислители соответствуют ГОСТ 8.586.1 - ГОСТ 8.586.5 или РД 50.411, в зависимости от типа сужающего устройства.
Тепловычислители поддерживают работу с осредняющими трубками типа Annubar, Torbar и др.
Тепловычислители рассчитаны на работу совместно с датчиками расхода, объема, разности давлений, давления и температуры. К тепловычислителю могут быть одновременно подключены:
- восемь преобразователей с выходным сигналом тока 0-5, 0-20 или 4-20 мА;
- четыре преобразователя с выходным числоимпульсным или частотным сигналом;
- четыре термопреобразователя сопротивления Pt100, Pt50, 100П, 50П, 100М, 50М.
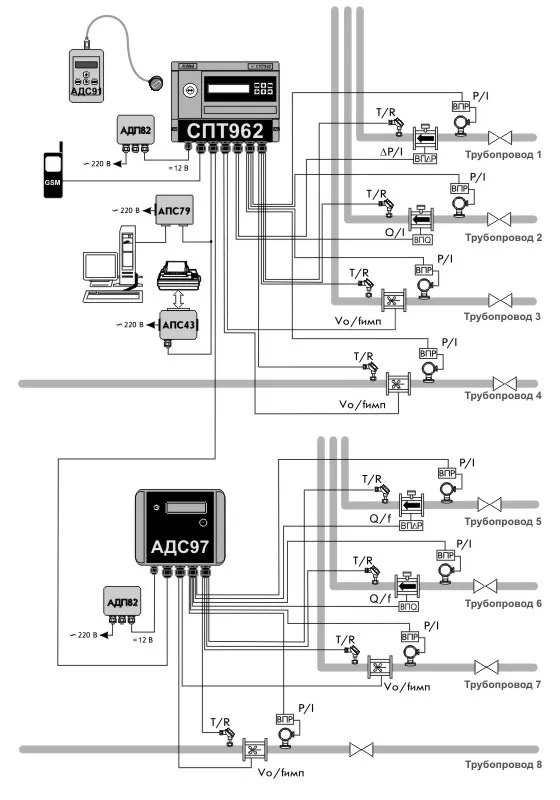
Количество обслуживаемых трубопроводов определяется возможностью физического подключения необходимых датчиков к тепловычислителю. Увеличение количества подключаемых датчиков достигается за счет применения одного или двух адаптеров АДС97. Адаптер АДС97 имеет 4 импульсных входа, 4 токовых входа и 4 входа для подключения термопреобразователей сопротивления.
На логическом уровне может быть описано до 12 трубопроводов, количество свободно конфигурируемых контуров теплоснабжения - до 6. Один из возможных вариантов теплосчетчика приведен на рисунке.
Рис. Пример организации учета тепловой энергии на базе СПТ962
Тепловычислители осуществляют непрерывный контроль входных электрических сигналов и параметров потока теплоносителя. Любые недопустимые отклонения сигналов и параметров фиксируются в архиве диагностических сообщений с привязкой по времени и параллельно насчитывается суммарные времена работы при тех или иных нештатных ситуациях в соответствии с правилами учета тепловой энергии, теплоносителя. Средние и суммарные значения измеряемых и вычисляемых параметров заносятся в архивы с привязкой к расчетному дню и часу. Существует три типа таких архивов:
- часовые архивы - 1488 ч;
- суточные архивы - 366 сут.;
- месячные архивы - 36 мес.
Время безотказной работы, время перерывов электропитания, время работы при тех или иных нештатных ситуациях также фиксируются в перечисленных архивах. Тепловычислитель имеет два уровня защиты данных: пароль и пломба.
Изменение значений оперативных параметров фиксируется в специальном архиве. Для предотвращения разрушения архивов и настроечных параметров в процессе поверки предусмотрена их дополнительная защита паролем пользователя.
Коммуникационные возможности тепловычислителей СПТ 962 обеспечиваются двумя интерфейсами RS485, интерфейсом RS232С и оптическим интерфейсом IEC1107. Для расширения коммуникационных возможностей тепловычислителей в них помимо фирменного Магистрального протокола поддерживается протокол обмена данными MODBUS RTU и стек протоколов PPP-TCP/IP.
МЕТРОЛОГИЧЕСКИЕ ХАРАКТЕРИСТИКИ
Погрешность при рабочих условиях не превышает:
- ± 0,05/0,15% (приведенная) - по показаниям расхода, давления и перепада давления при работе с токовыми входными сигналами;
- ± 0,05% (относительная) - по показаниям расхода при работе с числоимпульсными входными сигналами;
- ± 0,1/0,15 °C (абсолютная) - по показаниям температуры при работе с термопреобразователями.
ЭКСПЛУАТАЦИОННЫЕ ПОКАЗАТЕЛИ
Габаритные размеры: 244 x 220 x 70 мм.
Масса: 2 кг
Электропитание: 10–15 В, потребляемый ток 150 мА.
Условия эксплуатации:
- Температура окружающего воздуха: от -10 до 50 °С.
- Относительная влажность: 95 % при 35 °С.
- Степень защиты от воды и пыли: IP54.
Средний срок службы: 15 лет.
Межповерочный интервал: 4 года.
Гарантийный срок: 7 лет.
Тепловычислители СПТ962 рассчитаны на применение в составе теплосчетчиков для систем теплоснабжения , где в качестве теплоносителя используется вода, конденсат, перегретый и насыщенный пар, а также отличная от воды жидкость с известными теплофизическими характеристиками. Тепловычислители могут применяться также в составе измерительных комплексов систем водоснабжения и водоотведения.
Интегрированные функциональные возможности тепловычислителей обеспечивают комплексное решение широкого круга задач:
- коммерческий учет потребления тепловой энергии, массы и объема воды, перегретого и насыщенного пара;
- контроль режимов теплопотребления;
- организация систем диспетчеризации и контроля потребления тепловой энергии и теплоносителя
Тепловычислители СПТ 962 соответствуют ГОСТ Р ЕН 1434-1, ГОСТ Р 51649, МИ 2412 и МИ 2451.
Тепловычислители удовлетворяют требованиям правил учета тепловой энергии, теплоносителя, утвержденных постановлением Правительства РФ №1034 от 18.11.2013. В части вычисления массового расхода теплоносителя при применении метода переменного перепада давления тепловычислители соответствуют ГОСТ 8.586.1 - ГОСТ 8.586.5 или РД 50.411, в зависимости от типа сужающего устройства.
Тепловычислители поддерживают работу с осредняющими трубками типа Annubar, Torbar и др.
Тепловычислители рассчитаны на работу совместно с датчиками расхода, объема, разности давлений, давления и температуры. К тепловычислителю могут быть одновременно подключены:
- восемь преобразователей с выходным сигналом тока 0-5, 0-20 или 4-20 мА;
- четыре преобразователя с выходным числоимпульсным или частотным сигналом;
- четыре термопреобразователя сопротивления Pt100, Pt50, 100П, 50П, 100М, 50М.
Количество обслуживаемых трубопроводов определяется возможностью физического подключения необходимых датчиков к тепловычислителю. Увеличение количества подключаемых датчиков достигается за счет применения одного или двух адаптеров АДС97. Адаптер АДС97 имеет 4 импульсных входа, 4 токовых входа и 4 входа для подключения термопреобразователей сопротивления.
На логическом уровне может быть описано до 12 трубопроводов, количество свободно конфигурируемых контуров теплоснабжения - до 6. Один из возможных вариантов теплосчетчика приведен на рисунке.
Рис. Пример организации учета тепловой энергии на базе СПТ962
Тепловычислители осуществляют непрерывный контроль входных электрических сигналов и параметров потока теплоносителя. Любые недопустимые отклонения сигналов и параметров фиксируются в архиве диагностических сообщений с привязкой по времени и параллельно насчитывается суммарные времена работы при тех или иных нештатных ситуациях в соответствии с правилами учета тепловой энергии, теплоносителя. Средние и суммарные значения измеряемых и вычисляемых параметров заносятся в архивы с привязкой к расчетному дню и часу. Существует три типа таких архивов:
- часовые архивы - 1488 ч;
- суточные архивы - 366 сут.;
- месячные архивы - 36 мес.
Время безотказной работы, время перерывов электропитания, время работы при тех или иных нештатных ситуациях также фиксируются в перечисленных архивах. Тепловычислитель имеет два уровня защиты данных: пароль и пломба.
Изменение значений оперативных параметров фиксируется в специальном архиве. Для предотвращения разрушения архивов и настроечных параметров в процессе поверки предусмотрена их дополнительная защита паролем пользователя.
Коммуникационные возможности тепловычислителей СПТ 962 обеспечиваются двумя интерфейсами RS485, интерфейсом RS232С и оптическим интерфейсом IEC1107. Для расширения коммуникационных возможностей тепловычислителей в них помимо фирменного Магистрального протокола поддерживается протокол обмена данными MODBUS RTU и стек протоколов PPP-TCP/IP.
МЕТРОЛОГИЧЕСКИЕ ХАРАКТЕРИСТИКИ
Погрешность при рабочих условиях не превышает:
- ± 0,05/0,15% (приведенная) - по показаниям расхода, давления и перепада давления при работе с токовыми входными сигналами;
- ± 0,05% (относительная) - по показаниям расхода при работе с числоимпульсными входными сигналами;
- ± 0,1/0,15 °C (абсолютная) - по показаниям температуры при работе с термопреобразователями.
ЭКСПЛУАТАЦИОННЫЕ ПОКАЗАТЕЛИ
Габаритные размеры: 244 x 220 x 70 мм.
Масса: 2 кг
Электропитание: 10–15 В, потребляемый ток 150 мА.
Условия эксплуатации:
- Температура окружающего воздуха: от -10 до 50 °С.
- Относительная влажность: 95 % при 35 °С.
- Степень защиты от воды и пыли: IP54.
Средний срок службы: 15 лет.
Межповерочный интервал: 4 года.
Гарантийный срок: 7 лет.

